Normblokpomp NB65-200/219 A-F-A-BAQE 37kW 400D 2P GRUNDFOS
4006238
MFG #: 98341207
€12.372,00
/ 1.00
- 2G-netwerk standaard: Nee
- 3G-netwerk standaard: Nee
- 4G-netwerk standaard: Nee
- 5G-netwerk standaard: Nee
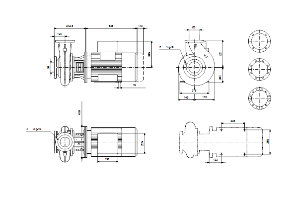
- Aansluiting inlaatzijde: Flens
- Aansluiting uitlaatzijde: Flens
- Aansluitstandaard inlaatzijde: EN 1092-2
- Aansluitstandaard uitlaatzijde: EN 1092-2
- Aantal fasen: 3
- Afgegeven motorvermogen (P2): 37 kW
- Beschermingsgraad (IP): IP55
- Bluetooth-netwerk standaard: Nee
- Communicatie: Ingebouwd en voorbereid
- Druk bij volumestroom (BEP): 604,09 kPa
- Druktrap flens aansluiting inlaatzijde: PN 16
- Druktrap flens aansluiting uitlaatzijde: PN 16
- Elektrische aansluiting: Aansluitklemmen
- Explosieveilig: Nee
- Flensvorm: Rond
- Frequentie: 50 Hz
- Geforceerde motorkoeling: Nee
- Hoogte perszijde: 515 mm
- Hoogte zuigzijde: 163 mm
- Interface pulsbreedtemodulatie (PWM): Nee
- Interface pulsteller: Nee
- Interface signaal 0-10 V / 2-10 V: Ja
- Interface signaal 0-20 mA / 4-20 mA: Ja
- Interface signaal PT100 / PT1000 / PTC: Nee
- Isolatieklasse volgens IEC: F
- Kwaliteitsklasse materiaal waaier: Gietijzer EN-GJL-200 (GG 20)
- Kwaliteitsklasse pomphuis: Gietijzer EN-GJL-250 (GG 25)
- Lengte hart pers/zuig: 100 mm
- Materiaal pomphuis: Gietijzer
- Materiaal waaier / pompwiel: Gietijzer
- Max. debiet: 169,15 m³/h
- Max. opvoerhoogte: 64,5 m
- Max. werkdruk: 16 bar
- Mediumtemperatuur (continu): 0 - 120 °C
- Merk: GRUNDFOS
- Met communicatie-interface RS-232: Nee
- Met communicatie-interface RS-485: Ja
- Minimum Efficiëntie Index (MEI): 0,7
- Motor energie-efficiëntieklasse: IE3
- Nom. diameter aansluiting inlaatzijde: DN 80
- Nom. diameter aansluiting uitlaatzijde: DN 65
- Nom. spanning: 380 - 420 V
- Nom. stroom: 65 A
- Normmotor: Ja
- Omgevingstemperatuur: -20 - 55 °C
- Ondersteunt protocol voor BACnet IP: Nee
- Ondersteunt protocol voor BACnet MS / TP: Nee
- Ondersteunt protocol voor CAN / CANOpen: Nee
- Ondersteunt protocol voor EtherNet/IP: Nee
- Ondersteunt protocol voor KNX: Nee
- Ondersteunt protocol voor LIN Bus: Nee
- Ondersteunt protocol voor LON / LONWorks: Nee
- Ondersteunt protocol voor Modbus RTU: Nee
- Ondersteunt protocol voor Modbus TCP: Nee
- Ondersteunt protocol voor PROFIBUS: Nee
- Ondersteunt protocol voor PROFINET IO: Nee
- Pomplengte: 343 mm
- Potentiaalvrij schakelcontact: Ja
- Radiostandaard WLAN 802.11: Nee
- Toerenregeling motor: Geen
- Toerental: 2955 1/min
- Type aandrijving: Elektrisch
- Type toerenregeling: Overig
- Volumestroom (BEP): 119,83 m³/h
- Type: NB 65-200
- Serie: NB
- Radio standaard UMTS: Nee
