Drainagepomp DWK.E.10.200.900.5.1D.R GRUNDFOS
4606668
MFG #: 96922758
€54.312,00
/ 1.00
- Aansluiting uitlaatzijde: Overig
- Aansluitstandaard uitlaatzijde: Overig
- Aantal fasen: 3
- Afgegeven motorvermogen (P2): 90 kW
- Beschermingsgraad (IP): IP68
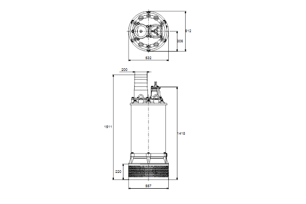
- Diameter pomp: 612 mm
- Dompeldiepte: 25 m
- Druk bij volumestroom (BEP): 696,27 kPa
- Druktrap flens aansluiting uitlaatzijde: PN 10
- Elektrische aansluiting: Aansluitklemmen
- Explosieveilig: Nee
- Flensvorm: Rond
- Frequentie: 50 Hz
- Geschikt voor droge opstelling: Nee
- Geschikt voor fecaliën: Nee
- Gewicht: 1016 kg
- Isolatieklasse volgens IEC: F
- Kabellengte: 10 m
- Kwaliteitsklasse materiaal waaier: Overig
- Kwaliteitsklasse motorbehuizing: Gietijzer EN-GJL-250 (GG 25)
- Kwaliteitsklasse pomphuis: Gietijzer EN-GJL-250 (GG 25)
- Materiaal motorbehuizing: Gietijzer
- Materiaal pomphuis: Gietijzer
- Max. afmeting vaste delen: 10 mm
- Max. debiet: 396 m³/h
- Max. opvoerhoogte: 88,5 m
- Max. werkdruk: 6 bar
- Merk: GRUNDFOS
- Met droogloopbeveiliging: Ja
- Nom. bedrijfsmodus: S3/S1
- Nom. diameter aansluiting uitlaatzijde: DN 200
- Nom. spanning: 380 - 415 V
- Nom. stroom: 172 A
- Opgenomen motorvermogen (P1): 98,79 kW
- Pompschakeling: Geen
- Toerenregeling motor: Extern (niet inbegrepen)
- Toerental: 2850 1/min
- Type toerenregeling: Overig
- Uitwendige buisdiameter aansluiting uitlaatzijde: 200 mm
- Versnijdend: Nee
- Volumestroom (BEP): 240 m³/h
- Type: DWK10.200.900
- Serie: DP (drainage pomp GY, RVS Waaier)
